
Descripción detallada del producto
| Ventaja: | Alta velocidad | Velocidad de etiquetado: | 60-200 piezas / min |
|---|---|---|---|
| Función: | Etiquetado adhesivo adhesivo | Material: | Acero inoxidable |
| Tipo de botella: | Tarro etiquetadora de botella redonda automática | Solicitud: | Para todo tipo de contenedores redondos |
| Marca Plc: | MITSUBISHI (Japón) | Motor de etiquetado servo: | DELTA (Taiwán) |
Máquina de etiquetado de vino tinto, máquina de etiquetado de botellas de vino de vidrio, sistema de control PLC, máquina de etiquetado de la marca MITSUBISHI
caracteristicas:
1. Operación: el sistema de control PLC hace que la máquina de etiquetado sea fácil de operar
2. Material: el cuerpo principal de la máquina etiquetadora está hecho de acero inoxidable SUS304
3. Configuración: Nuestras máquinas etiquetadoras adoptan piezas de marcas reconocidas en Japón, Alemania, Estados Unidos, Corea o Taiwán.
4. Flexibilidad: el cliente puede optar por agregar una impresora y una máquina de código; Puede elegir conectarse con Converyer o no.
Parámetros técnicos:
| Nombre | Botella de vino redonda automática para máquina de etiquetado de botellas redondas retráctiles de alta velocidad |
| Velocidad de etiquetado | 60-350 piezas / min |
| Altura del objeto | 30-350 mm |
| Espesor del objeto | 20-120 mm |
| Altura de la etiqueta | 5-180 mm |
| Longitud de la etiqueta | 25-300 mm |
| Diámetro interior del rodillo de etiquetas | 76 mm |
| Diámetro exterior del rodillo de etiquetas | 420 mm |
| Exactitud del etiquetado | ± 1 mm |
| Fuente de alimentación | 220V 50 / 60HZ 3.5KW |
| Consumo de gas de la impresora | 5Kg / m2 (si agrega máquina codificadora) |
| Tamaño de la máquina de etiquetado | 2800 (largo) × 1650 (ancho) × 1500 (alto) mm |
| Peso de la máquina de etiquetado | 180 kg |
Configuración
| No. | Parte | marca | cantidad |
| 1 | SOCIEDAD ANÓNIMA | MITSUBISHI (Japón) | 1 |
| 2 | Convertidor principal | DANFOSS (Dinamarca) | 1 |
| 4 | HMI | WEINVIEW (Taiwán) | 1 |
| 5 | Servo motor de etiquetado | DELTA (Taiwán) | 1 |
| 6 | Controlador de motor de etiquetado servo | DELTA (Taiwán) | 1 |
| 7 | Motor transportador | HY (Taiwán) | 1 |
| 8 | Caja de cambios del motor del transportador | HY (Taiwán) | 1 |
| 9 | Motor de botella divisoria | GPG (Taiwán) | 1 |
| 10 | Caja de engranajes de motor de botella divisoria | GPG (Taiwán) | 1 |
| 11 | Regulador de velocidad del motor separador de botellas | GPG (Taiwán) | 1 |
| 12 | Motor de radios | GPG (Taiwán) | 1 |
| 13 | Caja de cambios del motor de radios | GPG (Taiwán) | 1 |
| 14 | objeto detectar ojo mágico | OMRON (Japón) | 1 |
| 15 | fibra óptica | OMRON (Japón) | 1 |
Detalle de la máquina:

32 piezas principales de la máquina de etiquetado

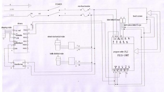
Diagrama de circuito

PREGUNTAS MÁS FRECUENTES:
1. la etiqueta tiene burbujas
Razones:
① la tabla despegable no es buena / no es plana;
② la tabla de arado no es buena / no es plana;
③ la salida de etiquetado es demasiado rápida o la velocidad de la línea de montaje es demasiado baja;
④ la etiqueta está demasiado suelta
Soluciones:
① cambiar una tabla despegable;
② cambiar una tabla de arado plana;
③ reducir la velocidad de salida del etiquetado o aumentar la velocidad de la línea de montaje;
④ impactar correctamente la cinta de etiquetas.
Etiqueta: máquina de etiquetado industrial, máquina de etiquetado de botellas de vidrio









